Page 317 - Automobile Mechanical and Electrical Systems Automotive Technology Vehicle Maintenance and Repair (Vehicle Maintenance Repr Nv2) by Tom Denton
P. 317

3
       300
                                                     Automobile mechanical and electrical systems


































                                                                                                                                Lighting circuit







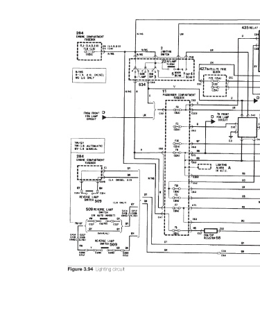
                                                                                                                                Figure 3.94
   312   313   314   315   316   317   318   319   320   321   322